Cảm biến nhiệt độ EYC R6 (loại RTD, loại điện lạnh)
Hãng sản xuất: EYC-Đài Loan
Model : R6
Thông số kỹ thuật:

Cảm biến : PT100,PT500,PT1000
Độ chính xác:
A±(0.15+0.002 I t I )
B±(0.3 +0.005 I t I )
Bảo vệ:IP65
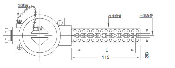
Chiều dài ống bảo vệ: 115mm
Vật liệu ống bảo vệ:SUS304, SUS316L
Tags: sensor nhiệt độ, cảm biến nhiệt độ, đầu đo sensor nhiệt độ