ELCB Mitsubishi NV125-HW(HS)-4P-200A-50kA
Model: NV125-HW(HS)
Hãng sản xuất: Mitsubishi
Thông số kỹ thuật:
Dòng định mức: 200A.
Số cực: 4P.
Dòng rò: 30mA. 1,2,500mA.
Điện áp định mức: 100-440 V AC.
Dòng ngắn mạch 400V AC: 50kA.
Tiêu chuẩn IEC 60947-2, EN 60947-2.
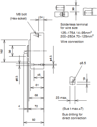
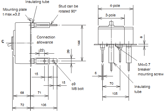
Kích thước:
Tags: Đóng cắt Mitsubishi
Libero velit id eaque ex quae laboriosam nulla optio doloribus! Perspiciatis, libero, neque, perferendis at nisi optio dolor!