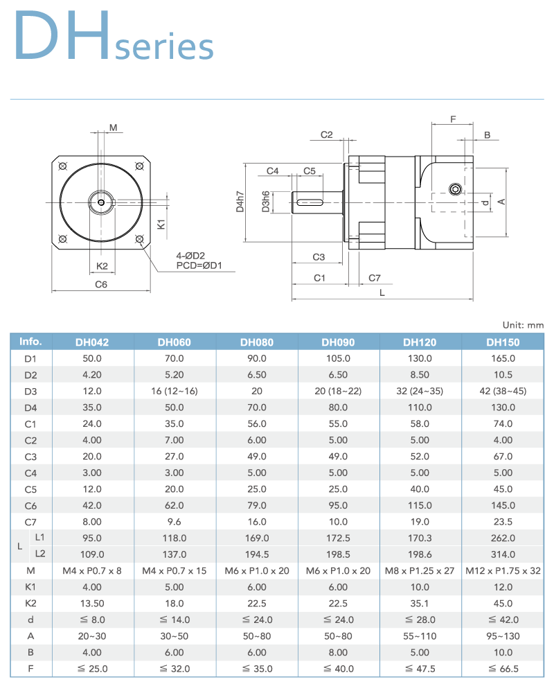
The plnetary gearbox has been developed spacifically for all application,which is an ideal alternative to our precision.
Libero velit id eaque ex quae laboriosam nulla optio doloribus! Perspiciatis, libero, neque, perferendis at nisi optio dolor!