Servomotor mitsubishi HF-MP053B
Hãng sản xuất: Mitshubishi
Model: HF-MP053B
Chi tiết sản phẩm:
Loại: servopack.
Điện áp cung cấp: 200V.
Servo amplifier: 10A(1)/B(1)(-RJ006)/T(1).
Quán tính cực nhỏ, công suất nhỏ.
Tốc độ: 3000 rpm.
Tốc độ lớn nhất: 6000 rpm.
Ứng dụng: Điều khiển tốc độ, vị trí, momen.
Encoder: 18 bit.
Ngõ ra định mức: 50 W.
Độ phân giải:262.144 xung/vòng
Khối lượng tiêu chuẩn: 0.35Kg.
Phương pháp điều khiển: Chỉnh lưu toàn kì 3 pha/ IGBT/ PWM.
Cấp cách điện: Lớp B.
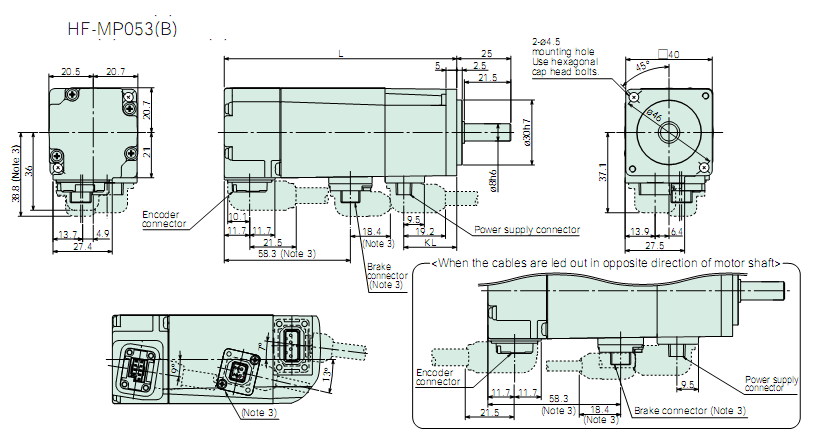
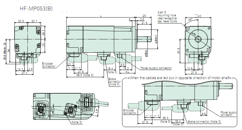
Kích thước:

Tags: Servo Mitshubishi